Hit et miss "Karl"

2T,4T, H&M ...
Avatar du membre
maximus
Messages : 2393
Enregistré le : sam. 29 mai 2010 08:01
Localisation : 94 Chennevières sur Marne

Hit et miss "Karl"

Message non lu par maximus »

Bonjour tous,

J'y vais aussi d'un Hit et miss, le père Noël étant repassé par la maison.
Bon je n'ai pas encore tout compris mais je ne me fait pas de soucis avec les pointures de notre forum.

Les premières pièces..
20200228_100152.jpg
20200228_100152.jpg
20200228_100152.jpg
A bientôt pour la suite


Max
Fichiers joints
20200303_153637.jpg
20200228_100215.jpg

Avatar du membre
rhavrane
Messages : 2302
Enregistré le : ven. 11 févr. 2011 19:00
Localisation : Saint-Mandé
Contact :

Re: Hit et miss "Karl"

Message non lu par rhavrane »

Bonjour Max,
Enfin ! Cela dit, tu aurais pu montrer le résultat attendu à nos amis :
https://www.youtube.com/watch?v=sHBNLPfMErI

Il est largement plus beau que celui que j'ai acheté chez Micoosm, Le Père Noël t'a gâté TOP
Raphaël
La vapeur oui, et avec son ...
Mes vidéos: http://www.youtube.com/user/rhavrane
Membre du MYCP : http://mycparis.fr/

Avatar du membre
gegedej
Messages : 418
Enregistré le : mer. 24 sept. 2014 10:12
Localisation : Valenciennes

Re: Hit et miss "Karl"

Message non lu par gegedej »

Bonjour,
:MERCI: pour la vidéo qui me permet de découvrir cette belle machine.
Tu as du être très sage l'an dernier pour que le Image te choie de la sorte :siffle:
Bon courage pour la suite
Gérard

Avatar du membre
minimotoriste
Messages : 2198
Enregistré le : mer. 6 juin 2012 03:54
Localisation : 82 castelsarrasin

Re: Hit et miss "Karl"

Message non lu par minimotoriste »

Bonsoir "maximus" et tout le monde
rhavrane a écrit :
mer. 4 mars 2020 19:49
Enfin ! Cela dit, tu aurais pu montrer le résultat attendu à nos amis :
Et dire que des amis du forum ont fait ce moteur gron :siffle: :clin:
vaperigord https://www.youtube.com/watch?v=WyJNJzDmIGk
minimotoriste https://www.youtube.com/watch?v=6B5bmIGDd3U&t=15s
Max ,je vois que tu usines la culasse ,j ai lamé le puits de la bougie pour la faire descendre et depuis le démarrage en est grandement facilité
Bonne suite .@+++.Henry.

Avatar du membre
rhavrane
Messages : 2302
Enregistré le : ven. 11 févr. 2011 19:00
Localisation : Saint-Mandé
Contact :

Re: Hit et miss "Karl"

Message non lu par rhavrane »

Bonjour,
1 000 pardons, j'avais zappé ton magnifique exemplaire TOP
Raphaël
La vapeur oui, et avec son ...
Mes vidéos: http://www.youtube.com/user/rhavrane
Membre du MYCP : http://mycparis.fr/

Avatar du membre
vaperigord
Messages : 534
Enregistré le : jeu. 20 déc. 2018 22:40

Re: Hit et miss "Karl"

Message non lu par vaperigord »

:coucou:
les trois mousquetaires du hit et miss jump

Avatar du membre
maximus
Messages : 2393
Enregistré le : sam. 29 mai 2010 08:01
Localisation : 94 Chennevières sur Marne

Re: Hit et miss "Karl"

Message non lu par maximus »

Bonjour,

Merci Minimotoriste pour l'astuce du puits de bougie, que j'ai appliqué aussitôt TOP
20200305_093414.jpg
A bientôt pour la suite


Max

Avatar du membre
rhavrane
Messages : 2302
Enregistré le : ven. 11 févr. 2011 19:00
Localisation : Saint-Mandé
Contact :

Re: Hit et miss "Karl"

Message non lu par rhavrane »

Bonjour Max,
Cela veut dire quoi "lamer le puits de bougie" ?
Raphaël
La vapeur oui, et avec son ...
Mes vidéos: http://www.youtube.com/user/rhavrane
Membre du MYCP : http://mycparis.fr/

Avatar du membre
jpvap54
Messages : 496
Enregistré le : ven. 24 avr. 2015 23:02
Localisation : 54110 Dombasle

Re: Hit et miss "Karl"

Message non lu par jpvap54 »

Bonsoir à tous !
Lamer: C'est usiner une belle portée ( de joint ) bien plane et bien perpendiculaire a l'alésage du puits à l'aide
d'une fraise à lamer ( fraise deux tailles équipée d'une tige guide en son centre, du même diamètre que l'alésage
du puits à lamer ) Ça, c'était avant les commandes numériques !
Bonne soirée à tous !

Avatar du membre
rhavrane
Messages : 2302
Enregistré le : ven. 11 févr. 2011 19:00
Localisation : Saint-Mandé
Contact :

Re: Hit et miss "Karl"

Message non lu par rhavrane »

Bonjour,
Max m'a fait une belle surface plane sur ma pompe de D10 et je ne crois pas qu'il ait évoqué une fraise à lamer ==> tu pourrais nous faire une photo de fraise "normale" et une d'une "à lamer" ? D'avance merci.
Raphaël
La vapeur oui, et avec son ...
Mes vidéos: http://www.youtube.com/user/rhavrane
Membre du MYCP : http://mycparis.fr/

Avatar du membre
gégé89
Messages : 2379
Enregistré le : sam. 14 mai 2011 10:41
Localisation : yonne

Re: Hit et miss "Karl"

Message non lu par gégé89 »

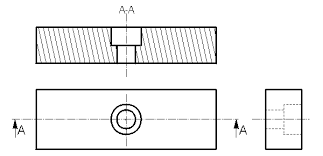
:coucou:
voila une fraise classique d'ebauche ,une à lamer et un dessin de lamage.
le lamage sert generalement a noyer une tete de vis ,dans le cas de max c'est pour pouvoir visser plus loin la bougie (la rapprocher du piston)
le téton de la fraise a lamer rentre dans le trou existant et assure la concentricité des 2 Ø
Fichiers joints
index.png
index.png (3.61 Kio) Vu 10854 fois
16303011_A.gif
10G33726.gif

Avatar du membre
rhavrane
Messages : 2302
Enregistré le : ven. 11 févr. 2011 19:00
Localisation : Saint-Mandé
Contact :

Re: Hit et miss "Karl"

Message non lu par rhavrane »

Bonjour,
OK clair, merci TOP
Raphaël
La vapeur oui, et avec son ...
Mes vidéos: http://www.youtube.com/user/rhavrane
Membre du MYCP : http://mycparis.fr/

Avatar du membre
maximus
Messages : 2393
Enregistré le : sam. 29 mai 2010 08:01
Localisation : 94 Chennevières sur Marne

Re: Hit et miss "Karl"

Message non lu par maximus »

Salut Raphaël

Je te ferais une démo quand tu passeras à la maison ;-)

Avatar du membre
maximus
Messages : 2393
Enregistré le : sam. 29 mai 2010 08:01
Localisation : 94 Chennevières sur Marne

Re: Hit et miss "Karl"

Message non lu par maximus »

Bonjour,
Une petite suite.
Confection du piston, plus qu'à tronçonner
20200312_153633.jpg
Pas pu faire mieux.
20200312_153633.jpg
A bientôt.

Max
Fichiers joints
20200309_091346.jpg

Avatar du membre
minimotoriste
Messages : 2198
Enregistré le : mer. 6 juin 2012 03:54
Localisation : 82 castelsarrasin

Re: Hit et miss "Karl"

Message non lu par minimotoriste »

:coucou: Max et tout le monde
maximus a écrit :
jeu. 12 mars 2020 19:31
Confection du piston, plus qu'à tronçonner
Afin d avoir le meilleur ajustage possible, j avais fait la finition en montant le piston sur un simblot (directement usiné dans le mandrin et sans démontage) afin de permettre le contrôle avec la chemise rectifiée (pour enlever le dernier pouillème avec du "1200~"et du pétrole), je ne sais plus si c'est noté sur le plan mais 1 ou 2 petites rainures sur le haut du piston aide bien à l'étanchéité (et améliore le graissage )
Bonne journée .@+++.Henry.

Répondre

Retourner vers « Moteurs à combustion interne »

Qui est en ligne

Utilisateurs parcourant ce forum : Aucun utilisateur enregistré et 3 invités