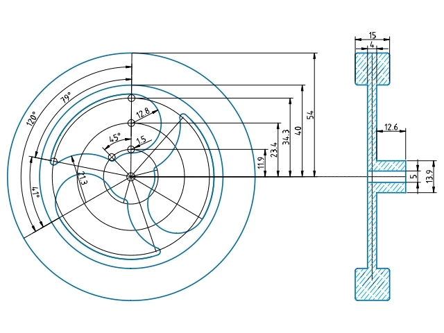
Voici le dessin d'un volant 3 branches, si ça peut vous intéresser

Travailler la fonte est un plaisir surtout travaille à secjmb a écrit : J'espère juste que cette fonte se laisse travailler![]()
Utilisateurs parcourant ce forum : Aucun utilisateur enregistré et 9 invités